| D f1 ±0.5 | S 3 ±0.05 | D o | D1 | S f1 | B ±05 | ||
| 44 | 3.5 | 36 | -0.15 -0.10 | 30 | 3 | -0.15 -0.10 | 40 |
| 45 | 4 | -0.03 -0.08 | 30 | ||||
| 60 | 3.5 | 41 | -0.13 -0.08 | 35 | -0.09 -0.15 | 42 | |
| 52 | 4 | 0 -0.05 | 35 | ||||
| 54 | 3.5 | 42 | -0.10 -0.05 | 3.5 | -0.02 -0.07 | 30 | |
| 60 | 4.52 | 44 | -0.14 -0.09 | 40 | 2 | -0.03 -0.08 | 39.5 |
| 53 | 4.5 | 40 | |||||
| 60 | 4 | 39.5 | |||||
| 66 | 4 | 45 | 2.4 | 40 | |||
| 60 | 4.5 | 46 | 8 | 3 | 39.5 | ||
| 61 | 4 | 0 -0.05 | 40 | ||||
| 62 | 4 | 47 | -0.13 -0.07 | 3.5 | -0.08 -0.13 | 49 | |
| 70 | 4.5 | 54 | -0.19 -0.14 | 50 | 2 | -0.03 -0.08 | 53 |
| 68 | 4.52 | 54.9 | -0.045 -0.005 | 48 | 3.5 | -0.045 -0.095 | 41.3 |
| 70 | 3.5 | 56 | -0.16 -0.11 | 50 | 3 | -0.09 -0.14 | 48 |
| 76 | 3.5 | 57 | -0.10 -0.05 | 3.5 | 0.01 -0.04 | 54 | |
| 70.5 | 8 | 58 | -0.14 -0.09 | 4 | -0.11 -0.16 | 46 | |
| 92 | 4.52 | 60.6 | -0.03 -0.02 | 54.4 | 3.1 | 0.02 -0.03 | 59 |
| 87 | 4.5 | 67 | -0.15 -0.10 | 60 | 3.5 | -0.06 -0.11 | 60 |
| 77 | 4.5 | -0.08 -0.13 | 65 | ||||
| 88 | 8 | 68 | 4 | -0.075 -0.125 | 58 | ||
| D f1 ±0.5 | S 3 ±0.05 | D o | D 1 | S f1 | B ±05 | ||
| 88 | 4.5 | 68 | 0.15 0.10 | 60 | 4 | -0.07 -0.12 | 60 |
| 87 | 4.5 | 69 | 0.19 0.14 | 65 | 2 | -0.03 -0.08 | 64.5 |
| 103 | 4.52 | 70.7 | 0.09 -0.04 | 63.7 | 3.5 | 0 -0.05 | 65 |
| 103 | 4.52 | 63.3 | 3.7 | 0.01 -0.04 | 73 | ||
| 86.4 | 4.5 | 72 | 0.15 0.09 | 65 | 3.5 | -0.08 -0.13 | 64.5 |
| 95 | 4.52 | 0.27 0.21 | -0.045 -0.095 | 71.5 | |||
| 95 | 3.5 | 0.09 0.03 | -0.015 -0.065 | 64 | |||
| 108 | 3.5 | -0.03 -0.08 | 75 | ||||
| 87 | 4.5 | 0.11 0.06 | 0.01 -0.04 | 53 | |||
| 95 | 4.52 | 0.27 0.21 | -0.045 -0.095 | 67.5 | |||
| 99 | 4.5 | 74 | 0.19 0.14 | 70 | 2 | -0.03 | 74 |
| 112 | 4.6 | 77 | 0.27 0.21 | 3.5 | -0.08 | 89.5 | |
| 95 | 4.5 | 0.14 0.09 | -0.04 -0.10 | 72 | |||
| 112 | 4.52 | 0.27 0.21 | -0.005 -0.055 | 89.7 | |||
| 93 | 6 | 78 | 0.15 0.09 | 4 | -0.09 -0.14 | 71 | |
| 93 | 8 | 80 | 0.16 0.10 | 5 | -0.075 -0.125 | 70 | |
| 107 | 4.5 | 83 | 75 | 4 | -0.07 -0.13 | 74 | |
| 97 | 10 | 85 | 0.17 0.12 | 5 | -0.10 -0.16 | 79.5 | |
| 97 | 5 | 0.155 0.095 | 70 | ||||
| 120 | 3.8 | 92.6 | 0.16 0.09 | 85 | 3.8 | 0.06 0 | 93 |
| 120 | 6 | 93 | 4 | -0.11 -0.17 | 94 | ||
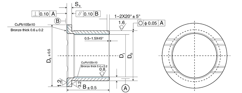
Ang mga nabanggit na sukat ay para lamang sa sanggunian, ang HZ ay maaaring gumawa ng mga bahagi ayon sa mga guhit ng mga customer.

Sasagot kami sa iyo sa loob ng 12 oras ng araw ng trabaho.
Dalubhasa ang Huazhou sa pagsasaliksik at pagpapaunlad ng mga produkto ng self-lubricating bearing, produksyon, pagbebenta, at serbisyo bilang isa sa malalaking komprehensibong negosyo.
Ang Huazhou ay nilagyan ng mga high-end na kagamitan at tauhan ng R&D, at mayroong mahigit 200 set ng kagamitan na may iba't ibang laki, kabilang ang mga coiling machine, punching machine, fully automatic chamfering machine, fully automatic coiling machine, raw material sintering lines, atbp. Nilagyan din ito ng libu-libong set ng grinding tools, at ang kahusayan sa produksyon ng mga produkto nito ay umabot sa bagong taas. Ginagawa ang mga sample sa loob ng 3 araw, na may pang-araw-araw na output na 500000 piraso at taunang output ng daan-daang milyong piraso.
Ang pagpapakilala ng higit sa 260 espesyal na kagamitan, nilagyan ng sampu-sampung libong molds, higit sa 150 propesyonal, at 30 awtomatikong linya ng produksyon.
Ang aming mga benta ng produkto sa iba't ibang probinsya sa Tsina, at malawakang ginagamit sa iba't ibang industriya ng makinarya, Volkswagen, BYD, atbp., at may mga internasyonal na pamantayan, ine-export sa Russia, Malaysia, Tasania, Iraq, Romania at iba pang 16 na bansa.
